スライドゲート

ゲートはその企業の顔です。セキュリティと省力性能を無人管理システムに搭載し、かつ社会環境に対する企業の姿勢をスマートなデザインに託します。
遠隔で開閉する電動門には、セキュリティと省力化を同時に果たすノンレール門扉が最適です。

電動自動門扉 アクター

電源はAC-100Vで動く小型強力モーター。
開閉制御は二段減速。安全設計・門扉

SECURITY AND SAFETY 機能を重視

仕様
カードリーダシステム(個別入力)
テンキーシステム
リモコンスイッチ(個別入力)
遠隔操作システム
型式
スライド式(片開き・両開き)
観音開き式(スウィングタイプ)

製品ラインナップ

  • 電動式ノンレール大型引戸
    ■ノンレールだから地面埋没工事が不要で工事コストが安い。
    ■スマートな機能美で企業のイメージアップ。
    ■片引戸・両引き戸必要に応じて選べます。
    ■路面の傾向のある敷地にもOK。
  • レール式電動大型引戸・門扉
    様々な現場に対応!!豊富な機能・デザインをご用意。
  • 大型スライド式電動門扉・装飾門扉
    入退門管理もできます。カード・リモコンも不正防止対策も可能になります
  • ニ段格納式スライドゲート
  • 大型スイング式電動門扉・装飾門扉
    引き戸のないスペースに最適
    工場にて大型スイング式電動門扉のテスト工程

三段格納式電動スライド門扉 動作例

スライド式3段格納・飾り装飾仕様電動門扉

スライド式3段格納・飾り装飾仕様電動門扉

ロートアイアン飾り装飾・3段格納式電動門扉・人用門扉・フェンス柵

ニ段格納式スライドゲート 動作例

ニ段格納式スライドゲート 施工工程・動作例

施工工程

ノンレール方式スライド(片開き)木目パネル 格子子扉電気錠仕様電動門扉

動作例

電動門扉 動作例

縦格子パンチング貼り2段格納式大型電動門扉 工事から設置

手動スライド式(両開き)縦格子門扉を電動仕様に改造

スライド(片開き)式・パネル貼り仕様大型電動門扉

ジャバラ式電動門扉

ノンレール方式スライド(片開き)ロートアイアン縦格子仕様大型電動門扉

ノンレール方式スライド(片開き)ロートアイアン縦格子仕様大型電動門扉

グランドメゾン天王寺上之宮町 スライドゲート動作

製品図面

※図面をクリックすると拡大してご覧いただけます。

  • ノンレール門扉
    ノンレール門扉図面
  • オートアクターNR型
    オートアクターNR型
  • 観音開大型装飾門扉
    観音開大型装飾門扉
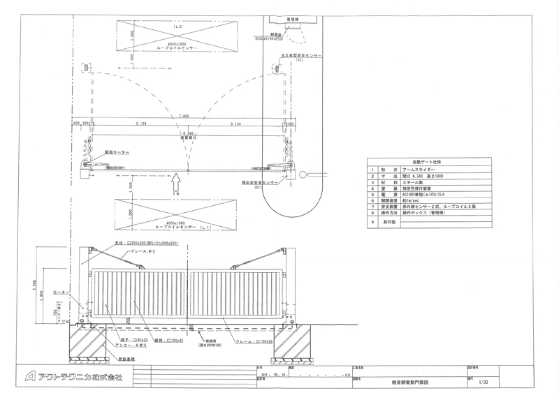
  • 観音開電動門扉
    観音開電動門扉
  • 片開単レール式ゲート
    片開単レール式ゲート
  • オートアクターWR型
    オートアクターWR型

設置事例

  • H-9 3段格納式飾り装飾仕様電動門扉

  • H-8 オールステンレス縦格子パンチング貼り・2段格納式大型電動門扉

  • H-10 スライド(片開き)式飾り装飾仕様電動大型門扉

  • 大型スイング式電動門扉・装飾門扉

  • 鋳物パネル装飾門扉

  • 電動スライド式門扉木目調仕様

  • 大型電動スライド式門扉パンチング仕様

  • サンマンションアトレ西院

  • シ-バース神戸

  • プラウドシティ神戸西神南

  • コージースクエア瀬田一里山

  • ヴィーナススクエア大津石山

  • ルネ東生駒ビュージアム

  • グランスイート茨木I

  • グランスイート茨木II

  • プレミスト東岸和田駅前スイートスクエア

  • 不二製油

  • パンチングメタル装飾電動スライド式片開き

    画像をクリックすると動画が再生されます

  • 三段格納式電動スライド門扉

    画像をクリックすると動画が再生されます

  • 手動門扉を電動スライド式門扉に改造

    画像をクリックすると動画が再生されます

  • 電動スライド式門扉

    画像をクリックすると動画が再生されます

  • 電動スライド式門扉木目縦格子仕様

    画像をクリックすると動画が再生されます

Contactお問い合わせ

お見積り、ご相談、ご依頼については
メールまたはお電話でお気軽にお問い合わせください。

  • メールで問い合わせる
  • 06-6821-011